鋁型材配件
Product accessories
Product accessories
聯系APAS / Contact us
- 地址:天津市西青經濟技術開發區賽達國際工業城A3-2.
- 郵箱:lxc@apas.com.cn
- 電話:022-87920088
- 傳真:請聯系網絡管理員
- 郵編:300385
- 咨詢熱線:13702119190(24小時服務熱線)
鋁型材連接配件 / Aluminum profile fittings
產品名稱 / Name
鋁型材彈性連接扣件
產品描述 / Describe
彈性扣件主要應用于30系列、40系列工業鋁型材框架90度直角緊固連接,適用于震動環境下鋁型材框架結構的緊固連接,可以有效地防止緊固件松動,從而影響框架性能;
022-87920088
可以根據需求進行設計加工,提供上門安裝服務;可以根據特殊需求進行鋁型材開模定制。
* 免費提供工業鋁型材選型手冊 →點擊咨詢
|
|
![]() ![]()
|
|
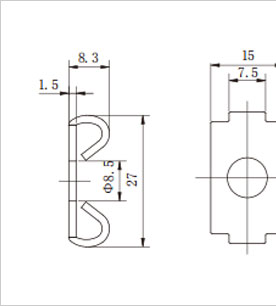
(鋁型材彈性連接扣件二維參數)
|
| ? |
|
適用型材規格
|
槽型
|
螺紋
|
材質
|
訂貨編號
|
|
30系列鋁型材
|
槽8
|
M8
|
碳鋼(鍍鋅或鍍鎳)
|
CE-SF30
|
|
40系列鋁型材
|
槽8
|
M8
|
碳鋼(鍍鋅或鍍鎳)
|
CE-SF40
|
| ? |
|
彈性扣件主要用于兩支工業鋁型材結構直角緊固連接,將彈性扣件利用半圓頭螺栓固定于型材端面中心孔,然后將彈性扣件插入另一支型材槽內,利用操作工具將螺栓鎖緊即可,性能穩定牢固; |
?
聯系APAS/ Contact us
天津艾普斯工業鋁型材股份有限公司
聯系電話:022-87920088
企業傳真:(避免惡意廣告)請聯系該企業網絡管理員
服務熱線:13702119190 (24小時服務熱線)
Q Q:534973906
企業郵箱: lxc@apas.com.cn
企業地址:天津市西青經濟技術開發區賽達國際工業城A3-2
聯系電話:022-87920088
企業傳真:(避免惡意廣告)請聯系該企業網絡管理員
服務熱線:13702119190 (24小時服務熱線)
Q Q:534973906
企業郵箱: lxc@apas.com.cn
企業地址:天津市西青經濟技術開發區賽達國際工業城A3-2
采購意向留言:* 為必填



.jpg)











QQ咨詢
電話聯系
聯系電話

在線留言
樣冊下載
