連接件模型
Connector Model
Connector Model
聯系APAS / Contact us
- 地址:天津市西青經濟技術開發區賽達國際工業城A3-2.
- 郵箱:lxc@apas.com.cn
- 電話:022-87920088
- 傳真:請聯系網絡管理員
- 郵編:300385
- 咨詢熱線:13702119190(24小時服務熱線)
連接件模型
/ Connector Model

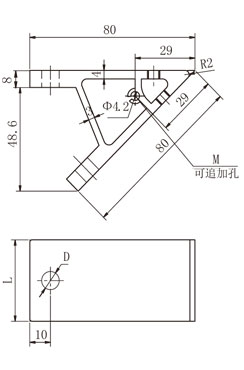
45系列45度(單槽)鋁型材角件3d模型
產品描述 / Name
該單槽45度鋁型材角件適用于4545規格鋁型材框架結構45度或135度結構緊固連接,起固定支撐作用,可以下載45度型材角碼SLDWORKS三維模型進行框架結構的設計組裝;
022-87920099
可以根據需求進行設計加工,提供上門安裝服務;可以根據特殊需求進行鋁型材開模定制。
* 免費提供工業鋁型材選型手冊 →點擊咨詢
內容來源:http://www.shdingxiang.cn 作者:武將 發布日期:2020年03月28日 11時10分 閱讀次數:2623 次
| 45*規格45度鋁型材角件主要適用于45系列鋁型材之間45度或135度角緊固連接,起固定支撐作用;45系列型材角件屬于定制型連接件產品,最大長度為6m,可以根據使用需求實現不同規格型號的加工定制,兩側有定位線,可以用于工藝孔加工處理; |
![]() ![]()
|
| 45規格鋁型材角件屬于6063-T5系列鋁鎂合金材料,表面經過噴砂-陽極氧化處理,大大提升了型材角碼的耐腐蝕性能,45度型材角件兩側有攻絲位置,可以加工M5規格工藝孔,用于安裝端面封板; |
|
適用型材
|
L(mm)
|
M
|
D(mm)
|
材質
|
訂貨編號
|
|
45*
|
41
|
M5
|
φ8.5
|
6063-T5
|
CE-L8080-4541
|
聯系APAS/ Contact us
天津艾普斯工業鋁型材股份有限公司
聯系電話:022-87920088
企業傳真:(避免惡意廣告)請聯系該企業網絡管理員
服務熱線:13702119190 (24小時服務熱線)
Q Q:534973906
企業郵箱: lxc@apas.com.cn
企業地址:天津市西青經濟技術開發區賽達國際工業城A3-2
聯系電話:022-87920088
企業傳真:(避免惡意廣告)請聯系該企業網絡管理員
服務熱線:13702119190 (24小時服務熱線)
Q Q:534973906
企業郵箱: lxc@apas.com.cn
企業地址:天津市西青經濟技術開發區賽達國際工業城A3-2
采購意向留言:* 為必填







.jpg)







QQ咨詢
電話聯系
聯系電話

在線留言
樣冊下載
