連接件模型
Connector Model
Connector Model
聯系APAS / Contact us
- 地址:天津市西青經濟技術開發區賽達國際工業城A3-2.
- 郵箱:lxc@apas.com.cn
- 電話:022-87920088
- 傳真:請聯系網絡管理員
- 郵編:300385
- 咨詢熱線:13702119190(24小時服務熱線)
連接件模型
/ Connector Model

45系列鋁型材強力角件(雙槽)3d模型
產品描述 / Name
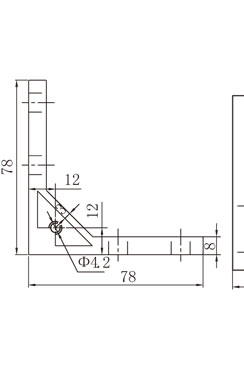
4545規格鋁型材雙槽強力角件適用于45系列4590或9090規格鋁型材之間的緊固連接,起固定支撐作用,可以下載角碼SLDWORKS三維模型進行框架的設計組裝;
022-87920099
可以根據需求進行設計加工,提供上門安裝服務;可以根據特殊需求進行鋁型材開模定制。
* 免費提供工業鋁型材選型手冊 →點擊咨詢
內容來源:http://www.shdingxiang.cn 作者:武將 發布日期:2020年03月28日 10時29分 閱讀次數:2431 次
| 45*系列鋁型材雙槽強力角件適用于45系列槽10規格雙槽結構鋁型材(4590、9090等)結構90度直角緊固連接,起固定支撐作用;角件兩側各有四個安裝工藝孔,緊固能力強,不易松動; |
![]() ![]()
|
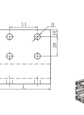
| 鋁型材雙槽強力角件屬于6063-T5系列鋁鎂合金材料,表面經過噴砂-陽極氧化處理,具有較強的抗氧化能力;型材角件在鋁型材框架組裝應用中靈活性很強,屬于定制型鋁型材連接件,最大規格為6m,可以根據使用需求進行尺寸切割-工藝安裝孔的定制,是常用的連接配件之一; |
|
適用型材
|
L(mm)
|
L1(mm)
|
D(mm)
|
材質
|
訂貨編號
|
|
90*
|
86
|
45
|
φ8.5
|
6063-T5
|
CE-L7878-4586
|
聯系APAS/ Contact us
天津艾普斯工業鋁型材股份有限公司
聯系電話:022-87920088
企業傳真:(避免惡意廣告)請聯系該企業網絡管理員
服務熱線:13702119190 (24小時服務熱線)
Q Q:534973906
企業郵箱: lxc@apas.com.cn
企業地址:天津市西青經濟技術開發區賽達國際工業城A3-2
聯系電話:022-87920088
企業傳真:(避免惡意廣告)請聯系該企業網絡管理員
服務熱線:13702119190 (24小時服務熱線)
Q Q:534973906
企業郵箱: lxc@apas.com.cn
企業地址:天津市西青經濟技術開發區賽達國際工業城A3-2
采購意向留言:* 為必填















QQ咨詢
電話聯系
聯系電話

在線留言
樣冊下載
