工業鋁型材
Aluminum profile
Aluminum profile
聯系APAS / Contact us
- 地址:天津市西青經濟技術開發區賽達國際工業城A3-2.
- 郵箱:lxc@apas.com.cn
- 電話:022-87920088
- 傳真:請聯系網絡管理員
- 郵編:300385
- 咨詢熱線:13702119190(24小時服務熱線)
滑道型材 / Slide rail
產品名稱 / Name
鋁合金雙槽滑道型材
產品描述 / Describe
華北地區鋁合金滑道型材生產廠家,供應各種規格工業門窗滑軌型材、鋁合金滑道型材、雙槽滑道型材等,可以根據需求加工組裝,特殊需求可進行開模定制,歡迎咨詢價格;
022-87920088
可以根據需求進行設計加工,提供上門安裝服務;可以根據特殊需求進行鋁型材開模定制。
* 免費提供工業鋁型材選型手冊 →點擊咨詢
|
|
![]() ![]()
|
|
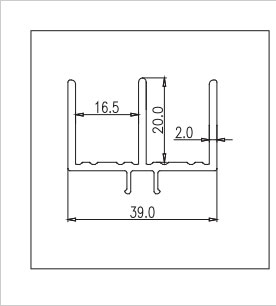
(6063-T5系列鋁合金雙槽滑道型材二維參數)
|
|
型材槽寬
|
適用輔助型材
|
單位質量
|
材質
|
訂貨編號
|
|
槽8
|
P6-FZ1530
|
0.95KG/米
|
鋁AL 6063-T5
|
CE-HDP1530
|
|
雙槽滑道型材屬于6063-T5系列鋁型材產品,是根據安全圍欄或設備防護罩特殊應用需求而開發的滑道型材,主要應用于鋁型材安全防護圍欄滑動窗或設備防護罩檢修口的設計組裝; |
聯系APAS/ Contact us
天津艾普斯工業鋁型材股份有限公司
聯系電話:022-87920088
企業傳真:(避免惡意廣告)請聯系該企業網絡管理員
服務熱線:13702119190 (24小時服務熱線)
Q Q:534973906
企業郵箱: lxc@apas.com.cn
企業地址:天津市西青經濟技術開發區賽達國際工業城A3-2
聯系電話:022-87920088
企業傳真:(避免惡意廣告)請聯系該企業網絡管理員
服務熱線:13702119190 (24小時服務熱線)
Q Q:534973906
企業郵箱: lxc@apas.com.cn
企業地址:天津市西青經濟技術開發區賽達國際工業城A3-2
采購意向留言:* 為必填














QQ咨詢
電話聯系
聯系電話

在線留言
樣冊下載
