鋁型材配件
Product accessories
Product accessories
聯系APAS / Contact us
- 地址:天津市西青經濟技術開發區賽達國際工業城A3-2.
- 郵箱:lxc@apas.com.cn
- 電話:022-87920088
- 傳真:請聯系網絡管理員
- 郵編:300385
- 咨詢熱線:13702119190(24小時服務熱線)
鋁型材緊固配件 / Aluminum profile fittings
產品名稱 / Name
圓柱頭螺栓
產品描述 / Describe
半圓頭螺栓屬于高強度連接件,主要應用于兩支鋁型材高強度連接,具有很高的物理強度;半圓頭螺栓具有多種規格,可以根據鋁型材規格選區相應規格的半圓頭螺栓進行框架結構設計組裝;
022-87920088
可以根據需求進行設計加工,提供上門安裝服務;可以根據特殊需求進行鋁型材開模定制。
* 免費提供工業鋁型材選型手冊 →點擊咨詢
|
|
![]() ![]()
|
|
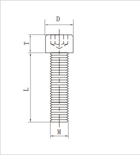
(鋁型材專用圓柱頭緊固螺栓二維參數)
|
|
產品名稱
|
螺紋
|
L(mm)
|
D(mm)
|
T(mm)
|
材質
|
訂貨編號
|
|
圓柱頭螺栓
|
M6
|
12
|
φ9
|
5.5
|
碳鋼(鍍鋅)/不銹鋼
|
CE-CSM6×12
|
|
圓柱頭螺栓
|
M6
|
14
|
φ9
|
5.5
|
碳鋼(鍍鋅)/不銹鋼
|
CE-CSM6×14
|
|
圓柱頭螺栓
|
M6
|
18
|
φ9
|
5.5
|
碳鋼(鍍鋅)/不銹鋼
|
CE-CSM6×18
|
|
圓柱頭螺栓
|
M6
|
20
|
φ9
|
5.5
|
碳鋼(鍍鋅)/不銹鋼
|
CE-CSM6×20
|
|
圓柱頭螺栓
|
M6
|
25
|
φ9
|
5.5
|
碳鋼(鍍鋅)/不銹鋼
|
CE-CSM6×25
|
|
圓柱頭螺栓
|
M6
|
30
|
φ9
|
5.5
|
碳鋼(鍍鋅)/不銹鋼
|
CE-CSM6×30
|
|
圓柱頭螺栓
|
M6
|
35
|
φ9
|
5.5
|
碳鋼(鍍鋅)/不銹鋼
|
CE-CSM6×35
|
|
圓柱頭螺栓
|
M6
|
40
|
φ9
|
5.5
|
碳鋼(鍍鋅)/不銹鋼
|
CE-CSM6×40
|
|
圓柱頭螺栓
|
M8
|
12
|
φ11
|
7
|
碳鋼(鍍鋅)/不銹鋼
|
CE-CSM8×12
|
|
圓柱頭螺栓
|
M8
|
16
|
φ11
|
7
|
碳鋼(鍍鋅)/不銹鋼
|
CE-CSM8×16
|
|
圓柱頭螺栓
|
M8
|
18
|
φ11
|
7
|
碳鋼(鍍鋅)/不銹鋼
|
CE-CSM8×18
|
|
圓柱頭螺栓
|
M8
|
20
|
φ11
|
7
|
碳鋼(鍍鋅)/不銹鋼
|
CE-CSM8×20
|
|
圓柱頭螺栓
|
M8
|
25
|
φ11
|
7
|
碳鋼(鍍鋅)/不銹鋼
|
CE-CSM8×25
|
|
圓柱頭螺栓
|
M8
|
40
|
φ11
|
7
|
碳鋼(鍍鋅)/不銹鋼
|
CE-CSM8×40
|
|
圓柱頭螺栓
|
M8
|
45
|
φ11
|
7
|
碳鋼(鍍鋅)/不銹鋼
|
CE-CSM8×45
|
|
圓柱頭螺栓
|
M8
|
50
|
φ11
|
7
|
碳鋼(鍍鋅)/不銹鋼
|
CE-CSM8×50
|
|
圓柱頭螺栓
|
M8
|
60
|
φ11
|
7
|
碳鋼(鍍鋅)/不銹鋼
|
CE-CSM8×60
|
|
圓柱頭螺栓
|
M8
|
80
|
φ11
|
7
|
碳鋼(鍍鋅)/不銹鋼
|
CE-CSM8×80
|
|
圓柱頭螺栓
|
M10
|
25
|
φ14
|
9
|
碳鋼(鍍鋅)/不銹鋼
|
CE-CSM10×25
|
|
圓柱頭螺栓
|
M12
|
50
|
φ17
|
11
|
碳鋼(鍍鋅)/不銹鋼
|
CE-CSM12×50
|
|
圓柱頭螺栓
|
M12
|
100
|
φ17
|
11
|
碳鋼(鍍鋅)/不銹鋼
|
CE-CSM12×100
|
|
專用圓柱頭螺栓是組裝鋁型材框架最為常用的緊固連接件,安裝前需要根據技術標準對工業鋁型材進行工藝孔(階梯孔)加工處理,并根據圓柱頭螺栓規格對型材中心孔進行螺紋孔攻絲處理,然后將工藝孔與螺紋孔對準,將螺栓置入工藝孔內鎖緊即可實現框架快速組裝; |
聯系APAS/ Contact us
天津艾普斯工業鋁型材股份有限公司
聯系電話:022-87920088
企業傳真:(避免惡意廣告)請聯系該企業網絡管理員
服務熱線:13702119190 (24小時服務熱線)
Q Q:534973906
企業郵箱: lxc@apas.com.cn
企業地址:天津市西青經濟技術開發區賽達國際工業城A3-2
聯系電話:022-87920088
企業傳真:(避免惡意廣告)請聯系該企業網絡管理員
服務熱線:13702119190 (24小時服務熱線)
Q Q:534973906
企業郵箱: lxc@apas.com.cn
企業地址:天津市西青經濟技術開發區賽達國際工業城A3-2
采購意向留言:* 為必填















QQ咨詢
電話聯系
聯系電話

在線留言
樣冊下載
