連接件模型
Connector Model
Connector Model
聯系APAS / Contact us
- 地址:天津市西青經濟技術開發區賽達國際工業城A3-2.
- 郵箱:lxc@apas.com.cn
- 電話:022-87920088
- 傳真:請聯系網絡管理員
- 郵編:300385
- 咨詢熱線:13702119190(24小時服務熱線)
連接件模型
/ Connector Model

30系列鋁型材角碼(單槽)3d模型下載
產品描述 / Name
3030規格鋁型材角碼適用于30系列輕型鋁型材框架固定連接,連接強度高,可以下載型材角碼SLDWORKS三維模型進行鋁型材框架結構的設計組裝;
022-87920099
可以根據需求進行設計加工,提供上門安裝服務;可以根據特殊需求進行鋁型材開模定制。
* 免費提供工業鋁型材選型手冊 →點擊咨詢
內容來源:http://www.shdingxiang.cn 作者:武將 發布日期:2020年04月11日 09時50分 閱讀次數:4171 次
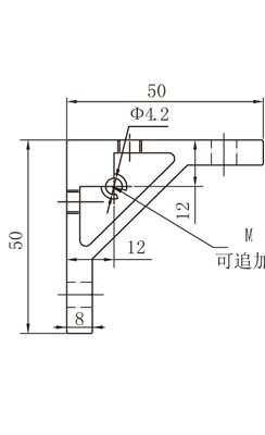
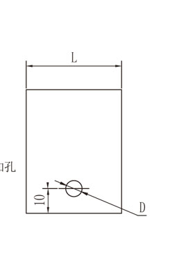
| 3030規格鋁型材角碼主要適用于30系列型材與型材之間直角連接,起固定支撐作用;型材角碼應用靈活性較強,是根據使用需求而加工定制,最大長度為6m,L的長度尺寸可以根據需求任意切割,并在側面有攻絲位置,可以用于安裝封板; |
![]() ![]()
|
| 30系列鋁型材角碼為6063-T5系列鋁鎂合金型材,表面進過噴砂-氧化處理,具有較強的抗氧化耐腐蝕能力;型材角碼相對于鑄鋁角碼相比,物理強度相對較低,但產品韌性強,不易斷裂; |
|
適用型材
|
L(mm)
|
D(mm)
|
M
|
材質
|
訂貨編號
|
|
30*
|
26
|
φ6.5/φ8.5
|
M5
|
6063-T5
|
CE-L5050-3026
|
聯系APAS/ Contact us
天津艾普斯工業鋁型材股份有限公司
聯系電話:022-87920088
企業傳真:(避免惡意廣告)請聯系該企業網絡管理員
服務熱線:13702119190 (24小時服務熱線)
Q Q:534973906
企業郵箱: lxc@apas.com.cn
企業地址:天津市西青經濟技術開發區賽達國際工業城A3-2
聯系電話:022-87920088
企業傳真:(避免惡意廣告)請聯系該企業網絡管理員
服務熱線:13702119190 (24小時服務熱線)
Q Q:534973906
企業郵箱: lxc@apas.com.cn
企業地址:天津市西青經濟技術開發區賽達國際工業城A3-2
采購意向留言:* 為必填










.jpg)




QQ咨詢
電話聯系
聯系電話

在線留言
樣冊下載
