連接件模型
Connector Model
Connector Model
聯系APAS / Contact us
- 地址:天津市西青經濟技術開發區賽達國際工業城A3-2.
- 郵箱:lxc@apas.com.cn
- 電話:022-87920088
- 傳真:請聯系網絡管理員
- 郵編:300385
- 咨詢熱線:13702119190(24小時服務熱線)
連接件模型
/ Connector Model

30系列鋁型材三維角連接件3d模型
產品描述 / Name
該規格鋁型材三維角連接件可以將兩支或三支3030R規格鋁型材連接在一起,主要用于設備防護罩、機罩框架結構的組裝搭建,可以下載SLDWORKS三維模型進行框架結構的設計組裝;
022-87920099
可以根據需求進行設計加工,提供上門安裝服務;可以根據特殊需求進行鋁型材開模定制。
* 免費提供工業鋁型材選型手冊 →點擊咨詢
內容來源:http://www.shdingxiang.cn 作者:武將 發布日期:2020年04月08日 10時37分 閱讀次數:3206 次
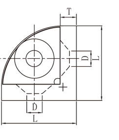
| 該規格鋁型材三維角連接配件適用于3030R規格鋁型材之間三項連接,這種角連接是半圓型材的專用連接配件,它能把兩根或三根R規格鋁型材連接在一起,加上配套的蓋板,十分簡潔美觀;連接用的螺栓需要另配; |
![]() ![]()
|
| 3030R規格鋁型材三維角連接配件為鋅合金材質,具有很高的物理強度,且具有較高的抗氧化能力,是要適用于鋁型材防護罩、機罩等設備款框架的組裝連接; |
|
槽型規格
|
L(mm)
|
D(mm)
|
T(mm)
|
平機螺栓
|
Tg(mm)
|
材質
|
訂貨編號
|
|
槽8
|
28.5
|
φ9
|
6.5
|
8×20
|
1.5
|
鋅合金
|
CE-CBR30-8
|
聯系APAS/ Contact us
天津艾普斯工業鋁型材股份有限公司
聯系電話:022-87920088
企業傳真:(避免惡意廣告)請聯系該企業網絡管理員
服務熱線:13702119190 (24小時服務熱線)
Q Q:534973906
企業郵箱: lxc@apas.com.cn
企業地址:天津市西青經濟技術開發區賽達國際工業城A3-2
聯系電話:022-87920088
企業傳真:(避免惡意廣告)請聯系該企業網絡管理員
服務熱線:13702119190 (24小時服務熱線)
Q Q:534973906
企業郵箱: lxc@apas.com.cn
企業地址:天津市西青經濟技術開發區賽達國際工業城A3-2
采購意向留言:* 為必填



-04車間工作臺主圖.jpg)











QQ咨詢
電話聯系
聯系電話

在線留言
樣冊下載
